空压机远程接线图解

空调压缩机接线图空调压缩机电容接线

图片尺寸850x1200

供应qcx5空压机磁力启动器 起动器4kw 7.5kw 11kw电动机保护器

图片尺寸750x565

2kw空压机电机怎样改成单相运行电机,需接多大电容? 怎么接线要详细点

图片尺寸720x540

格力空调 压机 rsc rrc rrs 分别代表 那个是公共端 那个是运行端 和

图片尺寸407x288

空调压缩机启动电容接线

图片尺寸750x407

空压机接线图

图片尺寸640x480

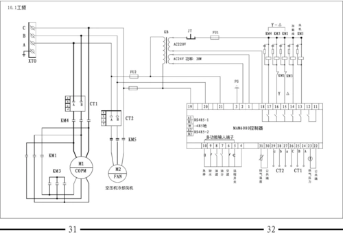
华达永磁变频螺杆式空压机【操作说明书】第6,7章,电气接线图

图片尺寸1838x1348

空调压缩机怎么接线?

图片尺寸640x853

志高螺杆空压机怎么外接远程启动

图片尺寸379x189

空气能热泵压缩机具体接线方式方法

图片尺寸781x456

380v空压机接线图

图片尺寸448x353

空气压缩机的继电器接线图

图片尺寸349x252

华达永磁变频螺杆式空压机操作说明书电气接线图

图片尺寸1848x1285

气泵和空压机傻傻的分不清楚,空压机怎么接线?一张实物参考图

图片尺寸640x452

空调压缩机接线图参考

图片尺寸496x410

空气源热泵压缩机接线方式和具体接线方法

图片尺寸500x349

cga型空压机控制器使用说明(v0.8)

图片尺寸628x546

空压机接线,怎么样才是正确的啊?求助电工师付请进来!

图片尺寸775x557

螺杆空压机怎么安装远程遥控开关

图片尺寸3264x2448

三相空压机怎么接?,求大神指点,第一张是电动机,是三根火线接进去吧?

图片尺寸775x557