电路图

由lm4781内部两个放大器-防盗报警电路图-电子产品世界

图片尺寸1442x1097

电路图

图片尺寸586x457

反激开关电源的每一个元件-初级侧部分(上)ppt_word文档在线阅读与下

图片尺寸1080x810

电源电路原理图_超声波电源电路原理图-正华文库

图片尺寸1392x850

直流电动机正反转-保护电路图-电子产品世界

图片尺寸1130x713

电路与电子技术基础 - 知乎

图片尺寸776x458

功率放大器电路图分享_晶体管_输出_电感

图片尺寸820x546

电路图看不懂?掌握这4种基本控制电路,初学电工看电路也不再难 - 电工

图片尺寸640x552

东风8b内燃机车电路图(主电路)-20220803.docx

图片尺寸2681x1932

继电器常用自锁电路图_word文档在线阅读与下载_无忧文档

图片尺寸893x1263

11个经典运放电路-csdn博客

图片尺寸622x534

直流无刷电动机控制电路-综合电路图-电子产品世界

图片尺寸1182x1023

继电器常用自锁电路图_word文档在线阅读与下载_无忧文档

图片尺寸893x1263

11个经典运放电路-csdn博客

图片尺寸656x417

11个经典运放电路-csdn博客

图片尺寸478x432

数字电路 第二章—第五节(ttl集成电路)-csdn博客

图片尺寸439x488

自动控制原理图精华版,老电工看了都说太全面了_调速

图片尺寸476x540

电工必备:22个经典电路图,老电工:都看懂就可以去考高级电工了_电机_

图片尺寸640x335

电动机自锁控制电路图(三相异步/自锁正转控制电路图)-拍明

图片尺寸550x500

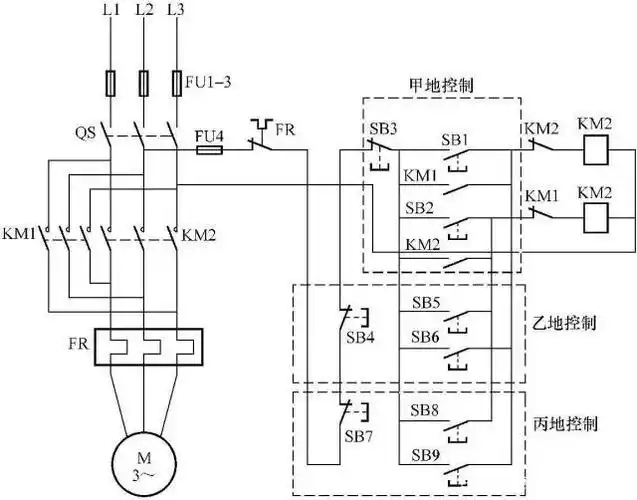
三地控制电路 - 2020年最新商品信息聚合专区 - 百度爱采购

图片尺寸640x502