火车车轮结构图和尺寸

yb/t5055 crane steel rail qu70 qu 80 qu100 qu120

图片尺寸959x959

铁道车辆轮对结构关系ppt课件

图片尺寸920x690

为什么火车轮子是这个样子

图片尺寸640x950

高中物理问题:火车行驶速率v大于v0时,为什么火车车轮对外轨有侧向

图片尺寸640x400

铁路车轮图

图片尺寸1325x577

例1火车转弯 车轮的结构特点 火车车轮有突出的轮缘

图片尺寸1080x810

车轮的构造和种类 - 汽车维修保养网

图片尺寸603x381

火车在转弯时轮子是如何协调的?

图片尺寸441x506

车轮加工方法与流程

图片尺寸1000x548

坐过那么多次高铁,你知道高铁轮子长什么样吗?

图片尺寸1915x811

动车轴轮组成示意图

图片尺寸600x602

火车转弯时,两侧车轮行程不同, 是怎么解决的?火车也有差速器?

图片尺寸720x416

火车列车轮3d三维几何数模型高铁动车轮子solidworks图纸cad编辑

图片尺寸1028x1028

铁路货车主要轮对型式和基本尺寸

图片尺寸961x497

有谁有火车轮对的具体尺寸谢谢

图片尺寸800x760

crh5型动车组车轮的具体尺寸

图片尺寸509x562

tbt1010-2005 铁道车辆用轮对型式与基本尺寸.pdf

图片尺寸800x1160

来源:2016年国家铁路局发布的《机车车辆车轮轮缘踏面外形》标准动车

图片尺寸838x451

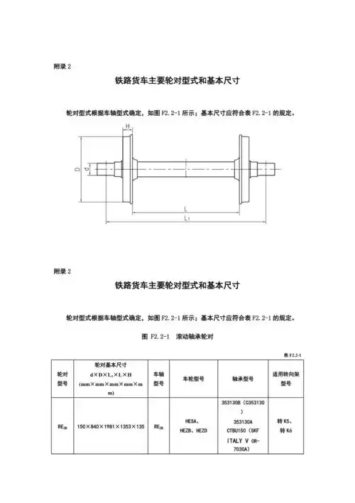
铁路货车主要轮对型式和基本尺寸doc

图片尺寸920x1302

火车有多少个

图片尺寸500x380