ups接线图

ups2000620kva并机接线及调试步骤

图片尺寸615x445

ups双机并联配电柜接线图

图片尺寸577x541

关于ups接线图与四种工作方式详解

图片尺寸640x675

ups电源实物接线图,ups电源输出怎么接线?

图片尺寸513x348

ups不间断电源接线图

图片尺寸750x529

ups接线图

图片尺寸600x400

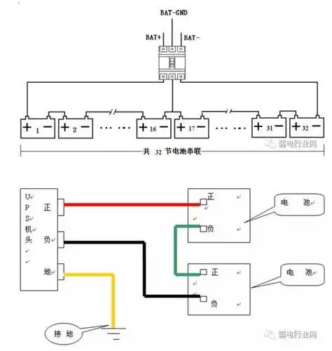
ups不间断电源电池常见接线

图片尺寸549x584

h6k-10k电力专用ups电源接线图.png

图片尺寸650x350

西安山特ups蓄电池_接线图分享

图片尺寸458x316

4,ups管理系统 笨马机电技术 南京比沃特视频_接线图分享

图片尺寸1024x686

ups - 优质问答专区

图片尺寸784x444

ups接线安装实例

图片尺寸469x538

山特c6ks双转换在线式ups电源备电1小时配16节12v38ahvrla电池

图片尺寸790x819

ups接线安装实例

图片尺寸452x253

不间断电源蓄电池接线图 apcups电源

图片尺寸643x461

ups接线图

图片尺寸515x903

不间断电源蓄电池接线图 apcups电源

图片尺寸601x503

ups配电箱接线图解,双电源配电箱接线图,ups指示灯图解_大山谷图库

图片尺寸474x355

3a3ups接线示意图

图片尺寸920x1302

ups电源主机接线图实物接线样图一步到位

图片尺寸744x563