ups配电箱接线图解

ups电池开关盒到ups之间连线图

图片尺寸950x579

山特ups不间断电源1kva 8小时 mt1000s-pro8小时100ah蓄电池6只

图片尺寸790x530

西安山特ups蓄电池_接线图分享

图片尺寸458x316

ups双机并联配电柜接线图

图片尺寸504x532

关于ups接线图与四种工作方式详解

图片尺寸640x675

ups输出配电系统图

图片尺寸1024x686

ups电源接线图

图片尺寸549x345

不间断电源蓄电池接线图 apcups电源

图片尺寸601x503

ups不间断电源电池常见接线

图片尺寸549x584

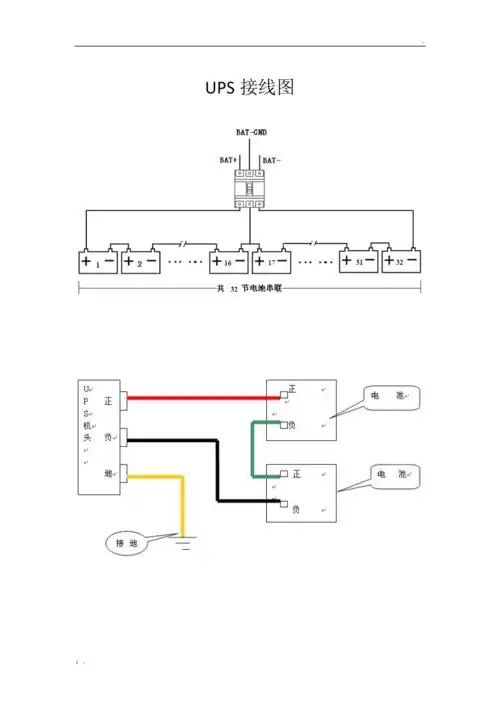
ups接线图

图片尺寸515x903

ups双机并联配电柜接线图

图片尺寸537x600

山特c6ks双转换在线式ups电源备电1小时配16节12v38ahvrla电池

图片尺寸790x819

不间断电源蓄电池接线图 apcups电源

图片尺寸643x461

ups配电箱接线图解,双电源配电箱接线图,ups指示灯图解_大山谷图库

图片尺寸474x355

ups接线图与维修说明

图片尺寸920x1302

ups接线安装实例

图片尺寸452x253

ups备用电源的电池问题!

图片尺寸483x390

ups接线安装实例

图片尺寸469x538

ups双机并联配电柜接线图

图片尺寸577x541

1.ups主机的具体接线方式在机箱背面有明确标注.2.

图片尺寸744x563