三相电机控制电路图

三相异步电动机连续控制

图片尺寸660x423

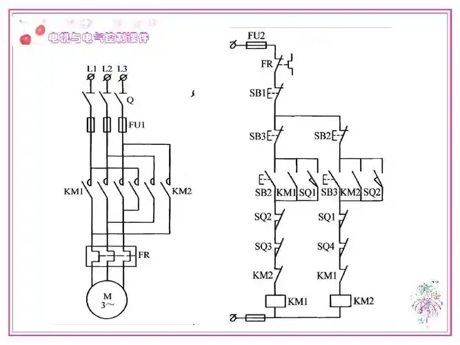
如图所示为一三相电机正反转系统的电力回路与控制线路的原理图.

图片尺寸816x460

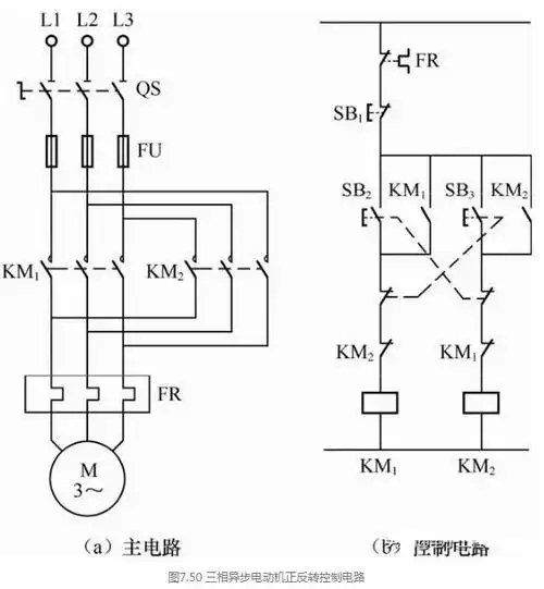
三相异步电动机手动正反转控制电路

图片尺寸1230x758

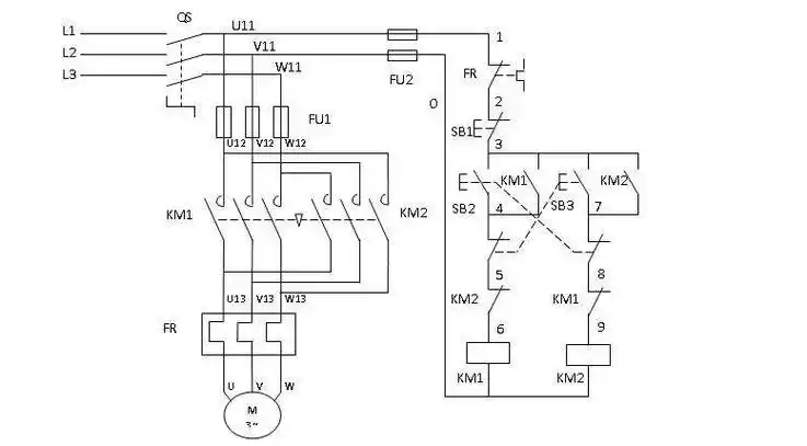
三相异步电动机正反转控制电路见附图.

图片尺寸962x615

2.3 三相异步电动机的正反转控制电路 对调两相电源接通

图片尺寸1080x810

电动机控制电路接线图(三相异步电动机)-滕韵技术生活网

图片尺寸777x429

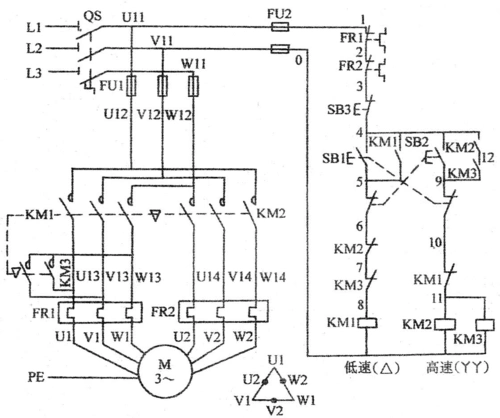
文档下载 所有分类 工程科技 电子/电路 > 三相异步电动机调速控制

图片尺寸1120x936

三相异步电动机调速控制

图片尺寸2751x1923

三相异步电动机正反转控制电路图-电子发烧友网

图片尺寸574x621

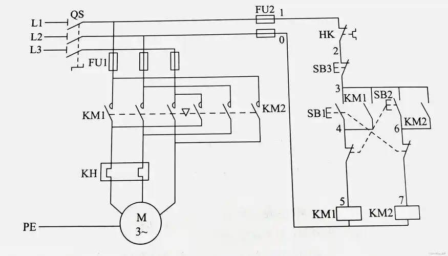
三相异步电动机自锁控制电路

图片尺寸920x1302

图说三相低压异步电动机控制电路

图片尺寸567x800

三相异步电动机接触器按钮双重联锁正反转控制电路

图片尺寸1080x810

三个铵钮控制的三相电机正反转点动长动

图片尺寸635x476

电动机制动控制线路 三相异步电动机正反转控制电路 电子元器件图片

图片尺寸1080x810

三相异步电机自锁正转控制电路图 - 电子方案资讯_我爱方案网

图片尺寸500x434

都在这了三相异步电动机常用控制电路图集咱得这么学

图片尺寸1152x682

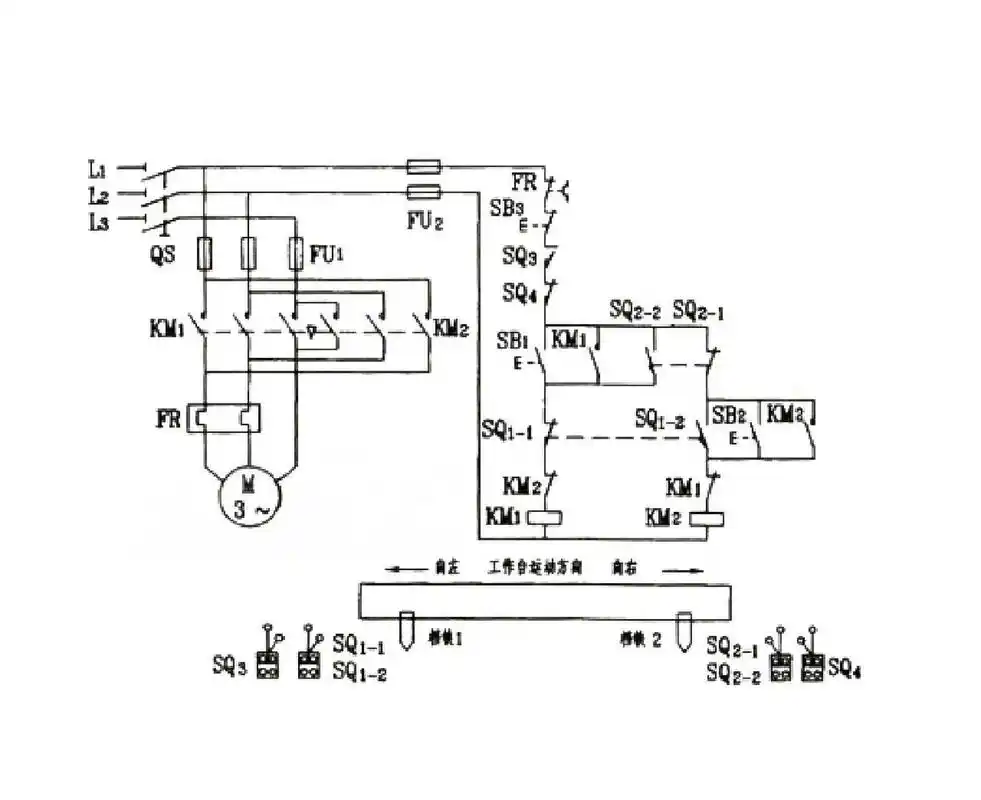
三相电机自动往返行程控制线路电路图解 有些生产机械,如万能铣床

图片尺寸1569x1280

三相异步电机的基本控制电路_三相异步电动机控制电路-csdn博客

图片尺寸3239x1850

电机控制线路.电动机y_^降压启动电路图. 机械制图__吊钩 - 抖音

图片尺寸624x432

三相异步电动机单向连续运行控制电路图共2页

图片尺寸920x1302