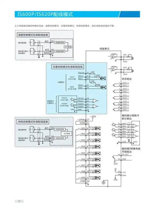
汇川伺服驱动器接线图

汇川is300伺服驱动器用户手册

图片尺寸1127x1600

汇川伺服驱动器is620pt021i55kw明扬工控网明扬工控商城专业销售工控

图片尺寸795x1077

sd300交流伺服驱动器位置模式控制的接线方法zd

图片尺寸991x918

伺服驱动器控制模式的接线及其注意事项

图片尺寸825x612

汇川伺服驱动接线

图片尺寸910x665

伺服驱动器外接再生制动电阻怎么接?

图片尺寸4000x3000

图2 驱动器接线图

图片尺寸616x480

交流伺服电机及驱动器接线

图片尺寸596x671

禾川x3系列伺服接线图

图片尺寸990x690

380v dm系列伺服驱动器接线示意图及说明(lp)

图片尺寸652x900

23伺服驱动器典型用法接线图231doc4页

图片尺寸792x1120

汇川is560系列高性能伺服驱动器is560ato32i支持批发

图片尺寸800x746

汇川主轴伺服驱动器变频器md380ms075gb上海

图片尺寸1146x1719

伺服控制器 伺服定位系统 伺服驱动器接线图

图片尺寸638x618

工控自动化行业必须掌握的知识伺服电机接线方式

图片尺寸877x519

jsdl2伺服驱动器接线图.png

图片尺寸770x1084

汇川伺服is600系列的安装讲解

图片尺寸951x1131

汇川is620p系列高性能伺服驱动器

图片尺寸648x827

伺服驱动器外部接线图 (第1页)

图片尺寸500x707

汇川伺服is620n系列01主电路及控制电路接线

图片尺寸636x686