电子入门基础电路图

硬件工程师一定用得上的20个电子线路图-基础电路-维库电子市场网

图片尺寸581x626

[分享]最全基本电气控制电路,学会这些你就入门了!很全面的知识!

图片尺寸640x586

电工识图基础知识

图片尺寸960x720

模电总结复习_模拟电子技术基础.

图片尺寸553x351

电气二次控制回路基本知识-电子发烧友网

图片尺寸743x553

8大电工基础电路老电工电工初学者蜕变为电气大神的必经之路

图片尺寸660x495

基础电路图 电子入门电路图 ->发光二极管电压测量电路图 本电路用

图片尺寸350x484

基础电路图 功率放大电路图 ->简单实用声控电子门铃电路电路最大的

图片尺寸476x262

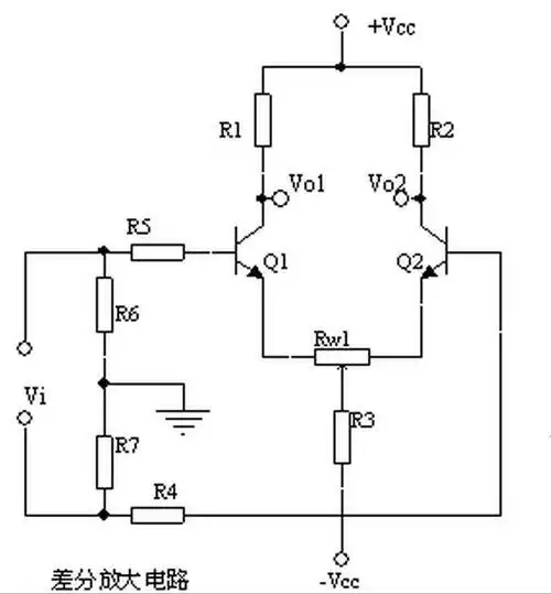
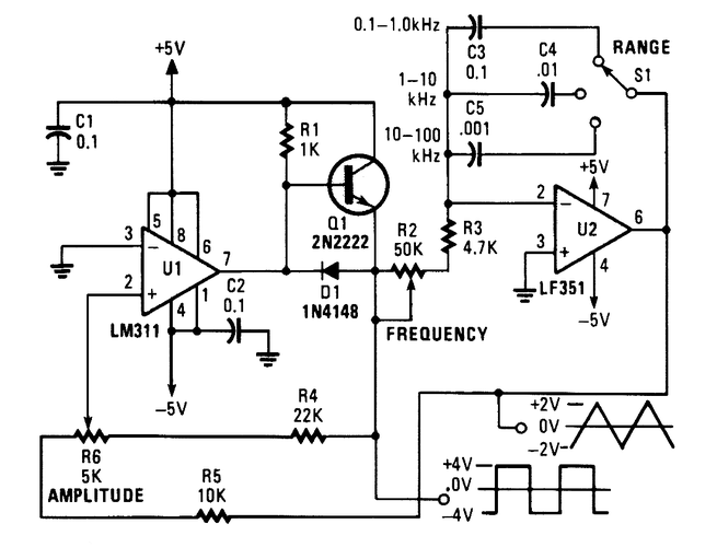
单端输出差动放大器电路-电路图-aet-中国科技核心期刊-最丰富的电子

图片尺寸1201x693

免费文档 所有分类 工程科技 电子/电路 电工考证电路图 第1页 (共4页

图片尺寸867x643

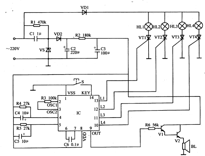
彩灯控制器电路图大全 - 照明灯电路图 - 电子发烧友网

图片尺寸2447x1860

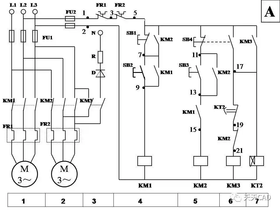
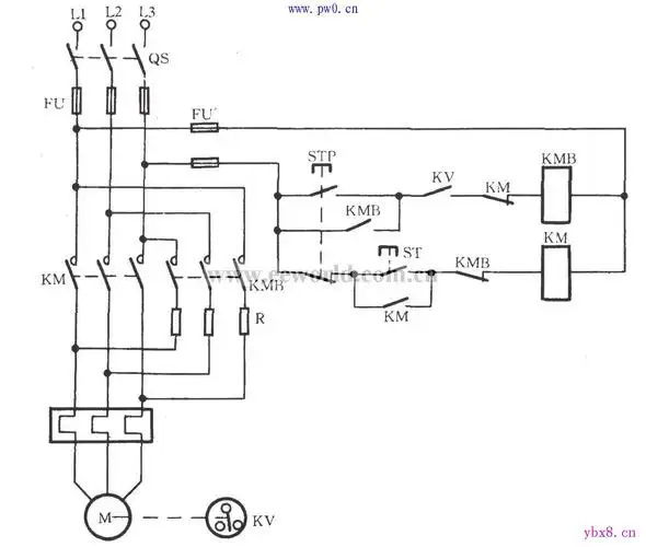
电动机制动控制电路图_电工基础知识_电工技术-电工最常见电路

图片尺寸1209x1025

基础电路-电路图-维库电子市场网

图片尺寸1100x840

新手学习电路图_电子街

图片尺寸640x400

电子技术基础 共发射极放大电路 求详解图里问题

图片尺寸2560x1920

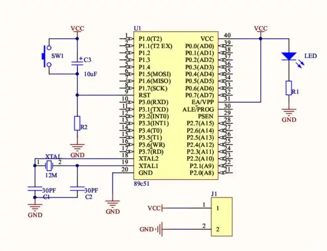
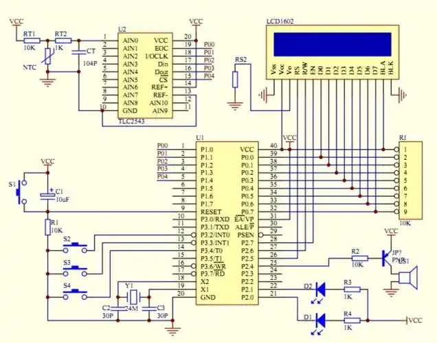
分享一些单片机基础入门级的知识 - 今日头条 - 电子发烧友网

图片尺寸1831x1440

掌握这4种基本控制电路,初学电工看电路也不再难 - 电工基础_电工电气

图片尺寸640x552

电工入门的基础电路原理图普及篇-电路图讲解-电子技术方案

图片尺寸476x540

分享一些单片机基础入门级的知识 - 今日头条 - 电子发烧友网

图片尺寸1879x1440

基础电路-电路图-维库电子市场网

图片尺寸600x370