螺杆螺母对照表

灯饰细牙螺母 灯饰螺母 六角幼牙 薄螺母 批发铁六角螺帽 m7-m12

图片尺寸750x998

2发黑重型螺母 a194美标2h螺帽

图片尺寸750x1164

螺栓螺母规格表pdf

图片尺寸860x1216

大同u形螺杆式快速螺母(usn)

图片尺寸2000x2956

内六角螺栓和螺母尺寸表

图片尺寸920x1302

公制螺母精度尺寸表

图片尺寸812x1030

国标螺母尺寸规格表

图片尺寸920x1218

75 904l六角螺母 不锈钢904l六角螺母

图片尺寸650x761

不锈钢304金属自锁螺母 din980全金属锁紧螺帽

图片尺寸790x1168

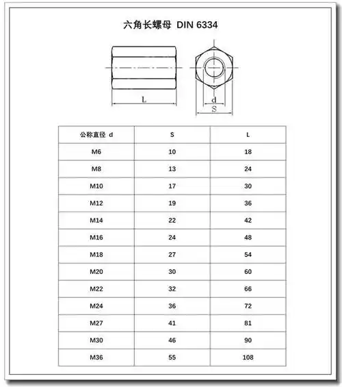
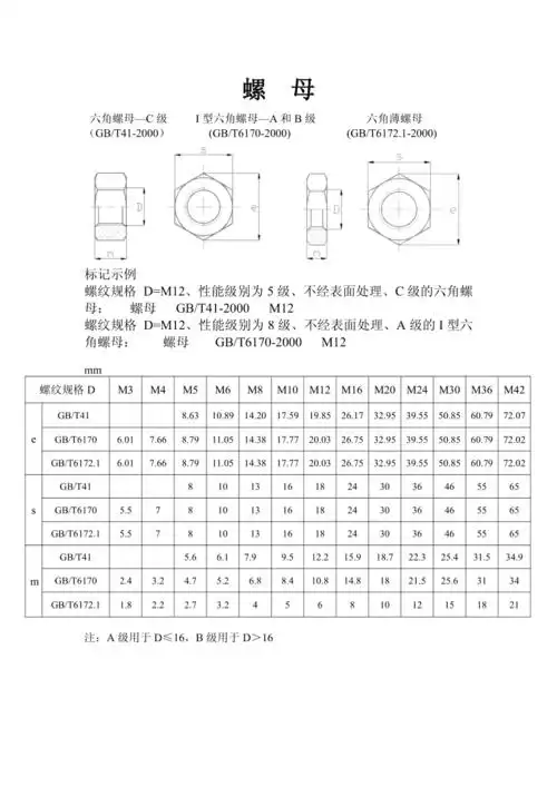
螺母规格表

图片尺寸813x389

8级螺母 /12.

图片尺寸790x912

六角螺栓及螺母尺寸表

图片尺寸920x1302

六角螺母尺寸

图片尺寸864x1146

304不锈钢加长螺母螺杆连接母连接螺母m6m8m10m16

图片尺寸750x847

内六角螺栓和螺母尺寸表

图片尺寸920x1302

螺栓螺母尺寸参照.#螺栓#螺母#螺丝钉#标件#五金 - 抖音

图片尺寸1076x882

螺母是具有内螺纹并与螺栓配合使用的紧固件,具有内螺纹并与螺杆配合

图片尺寸790x950

设计尺寸 尺寸工程 门尺寸 尺寸报告 国标美标尺寸对照表 圆螺母 的

图片尺寸1048x1361

国标螺母尺寸规格表

图片尺寸920x1302

螺母螺栓尺寸对应表

图片尺寸711x771