半球电饭锅线路连接图

电饭锅电路图纸21_半球

图片尺寸899x583

图纸

图片尺寸537x291

电饭锅线路图谁有?拆开不会装了

图片尺寸600x400

电饭锅电路图纸14_电脑式

图片尺寸568x328

半球电饭煲怎么样 半球电饭锅电路图

图片尺寸500x393

电饭锅用煮粥模式煮过久后 家里漏电开关跳了 电路图如下 帮忙分析一

图片尺寸598x568

电子保温电饭锅电路

图片尺寸600x447

电饭锅电路图纸15美的

图片尺寸596x333

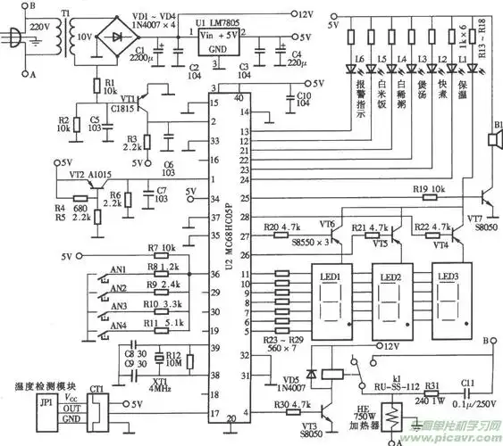
智能模糊控制电饭锅电路

图片尺寸1195x1061

电饭锅电路图纸24

图片尺寸500x409

定时式自动电饭锅电路图

图片尺寸800x579

半球Ⅰ型 Ⅱ型 Ⅲ型自动电饭锅电路图

图片尺寸596x372

我是多年修家电的,这个电饭锅电路图我真的没看懂

图片尺寸679x512

半球cfxb系列豪华自动电饭锅电路图

图片尺寸330x359

半球电饭锅煲的电路图

图片尺寸899x583

半球牌保温式自动电饭锅cfxb40-5m

图片尺寸900x493

半球机械电饭锅原理图

图片尺寸411x282

半球电饭锅煲的电路图

图片尺寸899x583

浩特牌自动电饭锅实绘电路与原理简析

图片尺寸1199x826

电饭锅原理与维修1

图片尺寸1080x810