半程马拉松配速.半马等级划分标准,晒一晒你的半马成绩或配速# - 抖音

相关图片

马拉松/半马配速表 (简单计算版

半马和全马配速表 马拉松是一项极限运动,请敬畏96

马拉松配速参考表(上)实现自己的马拉松目标,我们要用什么配速 - 抖音

废话不多说,直接上配速表

马拉松配速对照表

随机推荐

3840x2160体积:2mb上传时间:2022-07-17壁纸标签:动漫4k专区4k壁纸

科幻古风帅气的男生头像 男生头像图片大全 -【爱个性】

cuckoo/福库电饭煲 crp-hx1054fb (韩国原装进口 智能预约高压电饭锅

张慧雯性感写真桌面壁纸

九大巨人混剪!前方高燃!

马远《十二水图》部分也就是说,早于葛饰北斋 700 多年,马远就对水的

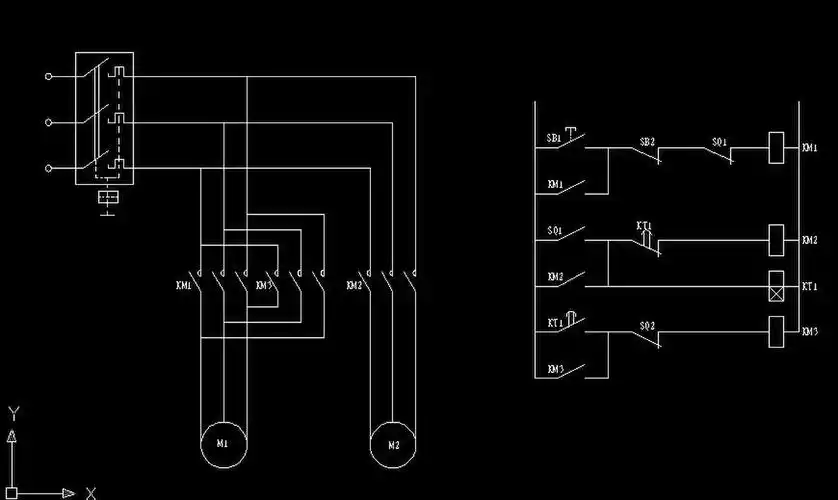
求两个三相电机 接线方法图?

谜团:袁世凯与朝鲜的闵妃的是是非非