几款小鸭,海尔滚筒洗衣机电路解析

相关图片

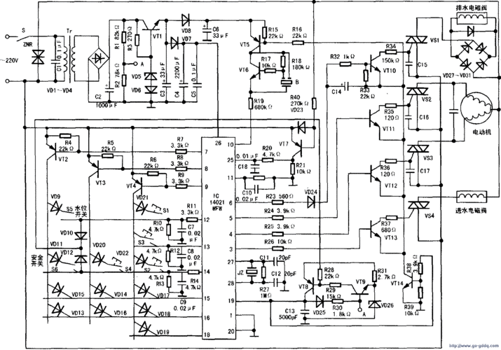
小天鹅全自动洗衣机电原理图

发一个小天鹅全自动洗衣机电脑板的电路图

白兰xbb303s洗衣机电路图

三洋xqb75m1155洗衣机电路图

小天鹅xqb40-868fc(g)型洗衣机电路图

随机推荐

来看易烊千玺生日粉丝晒的蛋糕#易烊千玺1128生日快乐#各式各样的蛋糕

张艺兴网红帅气男生壁纸图

2021张杰海口演唱会门票多少钱附订票网址

【圣宝】依诺沙星软膏(10克装)-江苏圣宝罗药业 otc

仙人掌植物以多种色调在充满活力的大胆的梯度全息颜色关闭.

玉米须垫发片女蓬松头顶垫发根隐形无痕蓬松纹理烫补发片厂家批发

28 李斯丹妮】微博之夜黑白两套造型来袭!白色.

动漫男生头像帅气好看的男生头像