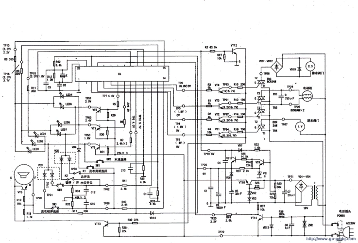
发一个小天鹅全自动洗衣机电脑板的电路图

相关图片

几款小鸭,海尔滚筒洗衣机电路解析

文档下载 所有分类 工程科技 电子/电路 > cxd-1型全自动洗衣机电气

白兰xbb303s洗衣机电路图

小鸭tema831a型全自动洗衣机电路原理图

三洋xqb75m1155洗衣机电路图

随机推荐

黄渤年轻时候就是个"文青",他会被潮流音乐打动,和朋友组乐队,跳流行

常远

小学生古诗词 硬笔书法临摹 适合一二三级的小朋友临摹 硬笔书法作品

男明星蓝色发系越看越高级谁让你一眼沦陷了

金粉世家40集 vcd电视连续剧【原装正版】(a仓)

肖战##肖战正能量艺人#肖战影视剧汇总99《超星星学院》 方天择

抖音最火的心情说说,句句深入人心,超喜欢!

动漫头像女可爱呆萌图片是当下非常流行的一种图片风格.