可控硅晶闸管的应用滑差电机

相关图片

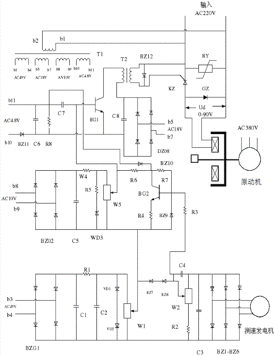
滑差电动机自动调速系统电路图

印刷设备电磁调速异步电动机滑差电机

印刷设备电磁调速异步电动机滑差电机

滑差电机工作原理结构

一种滑差电机自动调速控制装置制造方法及图纸,滑差电机调速器接线图

随机推荐

虽然陈赫发福了,但对于家人来说却变得更加值得依靠.只

天王刘德华,一个开演唱会都不忘穿牛仔裤的男人

盘头发造型有哪些技巧 盘发变简单的方法

千万别去三星堆!

鸡骨白玉琮一对,皮克老辣,包浆醇厚

消炎癣湿药膏 10g

钟表半点练习图1答案

动漫图初音双马尾