atx-300p4电源电路图.jpg

相关图片

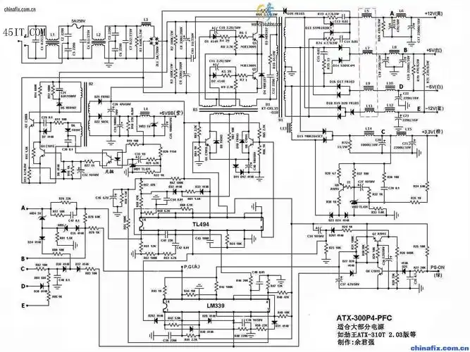
开关电源电路图原理图如图所示.

开关电源电路图大全

200watx电源(tl494)电路-开关稳压电源电路图-电子产品世界

5l0165r开关电源电路原理图

24v350w开关电源电路原理图pcb工程文件uc3843adlm193芯片

随机推荐

易烊千玺葭月廿二历胜景##四字 易烊千玺 yyqx 四字弟弟

高级不易撞的好看手绘动漫情侣头像 双人甜蜜恩爱唯美有意境情头_情侣

唯美日系小清新桌面壁纸图片高清大图预览1920x1200_卡通动漫下载_美

蓝色系一个人看海的背影头像图片

动漫男♂腹肌 腹肌真的难啊(那个水印是之前的,但是改不掉了.)

萨克斯歌曲曲谱100首

西瓜上市手绘pop海报

我们又迎来了新的一年2022年,十二生肖中的虎年,在新的一年,赵丽颖