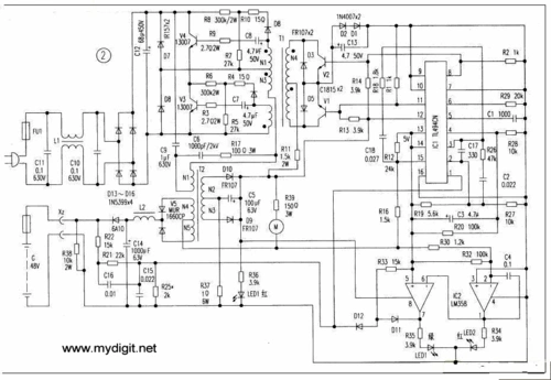
48v电动车充电器电路原理图

相关图片

电动车充电器维修 电动车维修技术 铅酸蓄电池充电器 电动自行车电路

求48v2a电动车锂电池充电器箭头所指电阻值多少

48v电动车充电器电路图

48v电车充电器图纸

文档下载 所有分类 工程科技 电子/电路 > 特能4820锂电池充电器原理

随机推荐

昆凌被周杰伦追到手时才17岁看了旧照后才知周杰伦赚大了

最近理想one的事情有点多好在还有颜值撑门面

超简单的小动物简笔画步骤教程快收藏好画起来吧

法兰谷精装5房 套内200平边户 急售可谈

儿童趣味简笔画:宝宝一看就会画的教程大全,一只慵懒的小松鼠哦

tfboys快本的信##易烊千玺眼眶好红

医生健康线上问询就诊模板

春秋中厚 连裤袜360珍瘦袜微压瘦腿袜防勾丝袜肉色踩脚打底袜