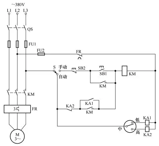
自动往返控制线路

相关图片

带过载保护的连续与点动混合控制电路

最简单的行程开关控制电路

电气控制电路图设计绘图电工线路画图制图工具软件继电器模拟仿真

28例电气自动控制电路图,都是干货,快收藏吧!

三地控制电路

随机推荐

教你如何下载高清专辑封面,周杰伦的范特西封面再也不怕找不到高清

【儿童口呼吸矫正神器】告别腺样体面容!

【安全篇】文明祭扫 同行你我 同心防疫——涉县第二幼儿园清明节祭祀

出道24年后,再看41岁韩雪的现状,才发现陈道明说的一点儿没错!|演员|

高清晰绿山瀑布水潭壁纸

2-8岁小男孩发型 铲青 雕刻时尚吸睛_儿童发型 - 美发站

延禧宫成故宫热门景点,但是却是"最古老的烂尾楼",原因在这里|163

newlake春秋新款风衣男长款修身韩版男士风衣外套商务休闲大衣加大码