异步电动机单相点动启动控制电路实验

相关图片

普通的单相双电容启动的电动机正反转电路

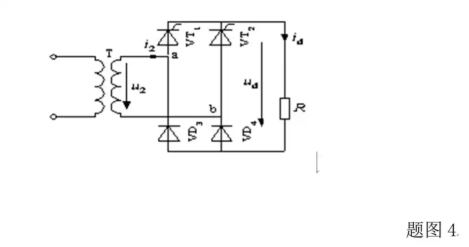
关于单相桥式全控整流电路,电阻性负载,以下描述正确的是?

[问答题,简答题] 绘图题:画出单相桥式整流电路图.

单相桥式整流电路

用倒顺开关控制单相交流电机正反转原理图 - 电路图分享_电工学习网

随机推荐

2021最火超软萌qq头像女生仙女必备可爱头像照片

锦衣之下一下夫妇谭松韵我的 任嘉伦 - 堆糖,美图壁纸兴趣社区

温碧霞穿深v长裙现身,波浪卷发披肩露甜美笑容

易烊千玺的"易只羊"好萌,不仅字漂亮画也好,真是个

抖音最火的渣男语录合集,高清壁纸图片,非主流-回车桌面

肖像的可爱微笑的小女孩,长头发的漂亮的衣服坐在户外的步骤

961f979339dea089.jpg

小脚丫卡通简笔画可爱