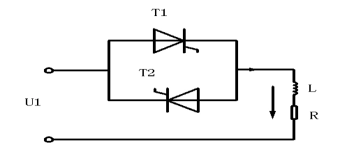
2 单相交流调压电路

相关图片

每日一图,单相电机自动往返运行控制电路.1,实现单相电动机的 - 抖音

8,零基础学电工——交叉开关控制单相单电容电动机正反转电路

单相全波桥式整流电路如下图所示.试说明当二极管d

单相交流调压电路

二极管单相整流电路

随机推荐

张曼玉仅凭眼神就迷倒万千男人59岁仍单身如今处境让人唏嘘

2岁2个月她学会头顶比心啦06

手写英文花体

这几款流行的女生短发发型你喜欢哪一款

穿越火线中角色众多,很多漂亮妹子和帅哥也有猥琐的斯沃特大叔,下面为

山清水秀造句,山清水秀造句大全(山清水秀,风景优美如画)

生产五金集成电路ic引线框架 精密冲压电脑引线框架

准妈妈发现肚子紧以为快生了,结果虚惊一场