一种蒸汽发生器及手持式挂烫机的制作方法

相关图片

自动模式切换蒸汽挂烫机控制电路及具有它的挂烫机

神奇qpfb-10型台式蒸汽电熨机整机接线图

智能蒸汽挂烫机状态检测电路及具有它的挂烫机的制作方法

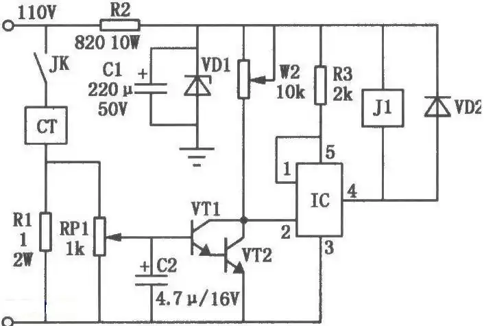
蒸汽熨斗自动保护电路原理图

挂烫机有什么危害吗?揭露四大弊端潜规则!

随机推荐

向太陈岚如今肥肥胖胖的,年轻时却是大美女,跟关之琳合照都不输

彩糖塘中式全家福相框婚纱照放大挂墙24寸实木装裱画框摆台a4照片定制

盘点一下那些年的香港男明星们,这颜值简直帅哭我!

治愈的绿色壁纸

130斤微胖女生日常穿搭提前感受春天啦

鳌拜徐锦江:师从关山月,曾沦落到拍风月片,如今成了艺术大师

儿童中短发发型编发教程,小女孩的短发发型图片

抽象,淡蓝色,背景,蓝色,设计_高清图片_全景视觉