半自动双缸洗衣机电路家用电器电路

相关图片

荣事达xqb60538型微电脑控制式全自动洗衣机洗涤电动机只能做一个方向

几款小鸭,海尔滚筒洗衣机电路解析

xpb2s型洗衣机接通电源后波轮不工作

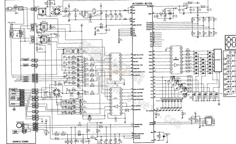
三星swv1200f系列滚筒式洗衣机电路图

小鸭tema831a型全自动洗衣机电路原理图

随机推荐

业内曝王一博将为粉丝行为买单,鹅厂要放大招?_肖战_网友_黑社会

古力娜扎的身材比例也太好了吧!让人眼馋!_礼服_气质_白色

吹头发

cookieak曲惬意手机壁纸77电脑壁纸放送

《家有儿女》的小雪,如今亭亭玉立也

[百度云][重案六组3 (36集)][1080p][hdtv 264 aac ts/160g][国语/中

父爱如山,聊聊我们眼中的父亲

沉浸式餐厅投影全息影像室内大型餐厅投影志胜游艺