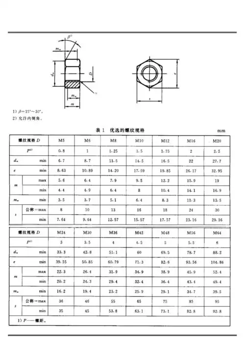
内六角螺栓和螺母尺寸表

相关图片

螺栓螺母尺寸参照.#螺栓#螺母#螺丝钉#标件#五金 - 抖音

螺母螺栓尺寸对应表

国标螺母尺寸规格表

内六角螺栓及螺母尺寸表

公英制螺栓及螺母六角尺寸

随机推荐

嗲功了得手段过人,"顶级绿茶"隋棠现形记|杨颖|模特|黄晓明|王心凌

男生发型名字

手黑适合做什么美甲?

治愈人心的唯美心情说说短句 总有一句触碰你的心弦

王一博说自己不适合白发古装,被造型师强烈要求后,不小心"惊艳"了时光

ins高级质感干净精致女生头像图片

《风暴舞》关键词:高科技,悬疑,犯罪,英雄主义刘新导演介绍称,自己是

浪漫爱心唯美手机壁纸