16套小区别墅住宅楼建筑设计施工cad图纸(含说明)

相关图片

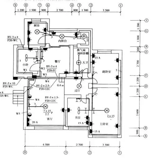
施工图图纸

三套三层住宅建筑的cad设计图纸

关于建筑图纸的电路问题

某市小高层住宅建筑设计图纸-图一本资料为小高层住宅楼施工图,其中

高层住宅小区建筑施工图住宅cad建筑图纸下载

随机推荐

惊艳你的吴世勋图片神颜可不是吹出来的

蔡徐坤蓝发##蔡徐坤elle3月刊

5款男生"两边剃短"发型,清爽干净越剪越帅气,新年剪一款试试 - 知乎

纯文字头像大全 最新纯文字qq头像图片

戚薇老公李承铉晒全家福,lucky钢琴手惊艳,2岁儿子已是小壮汉!

杨洋今日活动造型来啦! 春日男友上线,想在哥哥的鼻子上滑滑梯

道路,街道,汽车,建筑物 壁纸 下载 1920x1080 全高清 城市,道路,街道

真人萌妹头像图片遮脸 真人女头像 萌萌