电动车充电器气线路图纸图集维修方法故障检修分析电路图原理素材

相关图片

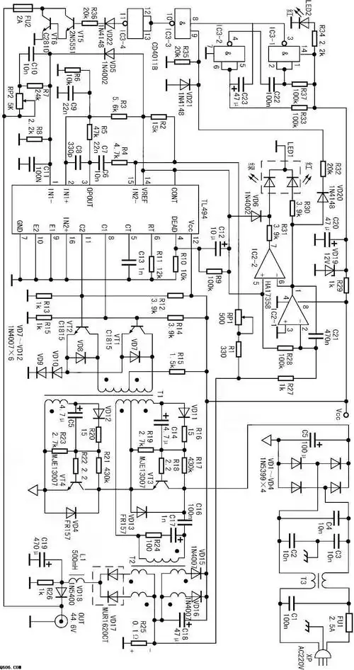
电动车48v充电器原理图与维修(高清版)

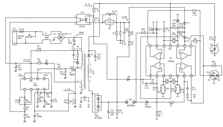
一文把30张电动车充电器电路图工作原理了解的明明白白

一文把30张电动车充电器电路图工作原理了解的明明白白

一文把30张电动车充电器电路图工作原理了解的明明白白

48v电动车充电器电路原理图

随机推荐

周润发自爆随年龄增长,身高降到179cm,看样子所言不虚.

90年代香港女神,个个都是神仙颜值,你最喜欢哪位呢?

大闹天宫

孙艺珍

霸气拽姐必备壁纸 霸气拽姐必备壁纸

惊艳全场angelababy上海时装周秀东方魅力旗袍连衣裙美翻天

好看的自然风景高清壁纸- 自然风景壁纸,动态壁纸下载,mac电脑壁纸mac

这些商场的原创ip成功让我记住了