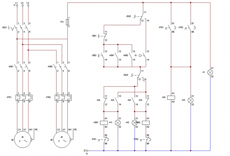
排污泵控制原理图配电箱系统图图纸参数图纸id: 962563图纸格式:dwg

相关图片

配电箱系统图

排污泵控制箱原理图

排污泵一备一用电路图

火电厂污水排污泵自动控制系统

自来水,污水处理配电系统解决方案

随机推荐

京剧脸谱

不会生二胎,感叹47岁老了生不出_孩子_马天宇_霍建华

清新的粉色玫瑰花摄影高清宽屏壁纸

吴亦凡青涩旧照.图片来源:金羊网

aseblarm珍珠婚鞋女秀禾新娘鞋12cm超高跟走秀鞋礼服旗袍婚纱鞋伴娘酒

微信居然可以安装摄像头71隐藏玩法学起来75 95微信 刷朋友圈时

山水壁纸,江山如画,祖国长春,盛世当歌

这发型拍照是真好看