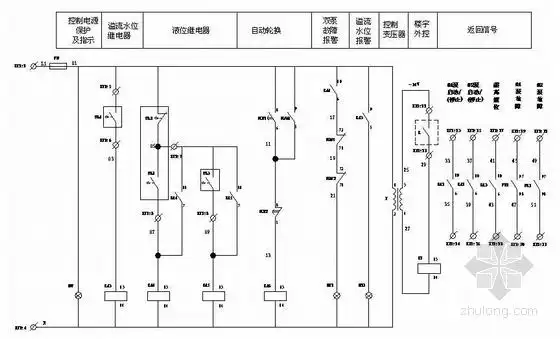
污水泵控制电气原理图

相关图片

污水泵两泵控制线路

排污泵控制原理图配电箱系统图图纸参数图纸id: 962563图纸格式:dwg

排污泵一备一用电路图

潜水式自动排污泵,家用

某医院排污泵控制柜电气原理图

随机推荐

98万,沙发彩电大冰箱,好用的奶爸车,实拍理想l9_搜狐汽车_搜狐网

谭松韵0531生日快乐

家庭版油焖大虾好吃到舔盘

侧脸帅哥冷酷帅气头像

q版动漫人物图片合集,你能认出其中的几位

都会和哥哥张国荣有合影#港圈女神 #盛世美颜 #美女 #周慧敏

丧气图片,一组伤感忧郁动漫丧头

当红女星经典同台合照,来看看谁的着装和气质更好看呢