装修工程图集05j909nq7内墙4c2施工做法

相关图片

05j909-ld58-地54c

05j909

05j909:工程做法

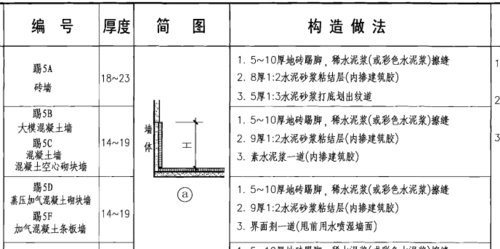
150 地砖踢脚,用于有地砖楼地面的墙面,参见国标05j909-踢5d/tj8,踢脚

05j909:工程做法

随机推荐

宋官窑修内司鱼尾瓶古玩古董古瓷器老货收藏

你是我的城池营垒 #马思纯 #白敬亭 @dou 小助手 - 抖音

13串48v电动轮椅两轮车摩托车 锂电池动力保护板同口20a30a带均衡

31岁古力娜扎魅力四溢,性感迷人,成熟风韵令人陶醉不已!

布莱齐福德 大腿假肢套餐 smart ip膝关节搭配elite2 全地形脚板

正面全身马尾辫女孩简笔画教程q版马尾辫女孩简笔画怎么画

欢吉他谱-吉他曲谱-爱曲谱网

永远的赞歌 云飞 歌谱 简谱