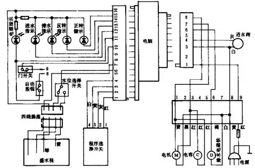
电脑全自动洗衣机电路图

相关图片

海尔双缸洗衣机电气控制电路图

白兰xbb303s洗衣机电路图

申花牌全自动洗衣机-其他控制电路图-电子产品世界

小天鹅全自动洗衣机电路图讲解

小天鹅xqb40-868fc(g)型洗衣机电路图

随机推荐

超级手机壁纸:让手机感受一下曲面屏吧!

不过术后头发确实比之前脱落得厉害了,所以自己先剪掉一些,空了再去

关之琳年轻时绝世容颜合集:张张惊艳,值得珍藏_明星_角色_评论

与王源十年璀璨共往##王源新专辑客厅狂欢

范丞丞和关晓彤cp感有多强?看完他俩的互动,网友直呼好甜啊

千源达拉崩吧

火箭少女101研究所 火箭少女 你的小可爱在这 撩 杨芸晴 sunnee soo

怀素 草书《小草千字文》1:1原大高清复制品宣纸狂草毛笔书法字 宣纸