电压力锅原理图 (共1页,当前第1页) 你可能喜欢 美的电压力锅 苏泊尔

相关图片

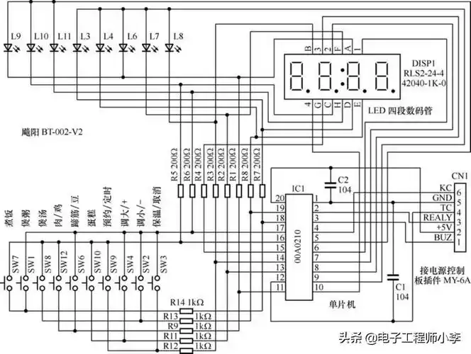
苏泊尔电压力锅使用说明书图解附苏泊尔电压力锅电路图及使用

苏泊尔电压力锅c丫sb5ofd9一1oo电路图

2009电压力锅故障维修培训ppt

苏泊尔 智能电压力锅 常见故障e0 e1 e2 e3代码 拆卸维修实例图纸

高压锅限压阀工作原理(电压力锅理论基础) | 说明书网

随机推荐

迪丽热巴玫瑰裙仙气高清手机壁纸

tfboys五周年最新消息终于安排上了不出意外下周就会官宣

十年交两个女朋友的花心大少张翰每一次都是爱到了最后一刻

没有人看过小孟我会伤心的ok

演员李小冉,40岁苦尽甘来,5个亿随便花,被老公宠成宝

头条问答 - 有没有胎位横位的?(3个回答)

错没错?(猫和老鼠表情包)_猫和老鼠_没错表情