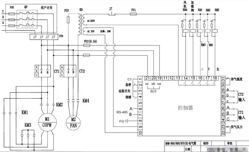
螺杆式空压机mam880控制器电气原理图

相关图片

空压机原理图

汽车空调压缩机双级控制的工作原理

md380空压机双变频图纸

华达永磁变频螺杆式空压机操作说明书电气接线图

技术知识常见空压机安装电路接线说明

随机推荐

魔法部发言人赵立坚开怼名场面合集,不断更新中

女生抖音卡通头像手绘超火图片

杨紫两个字总结2023年##杨紫总结2023年

棕色手绘透明水彩动物装饰素材

一组女性产前产后对比图火了,形象和气质判若两人,为母不易_孩子

超甜情侣表情包不甜不要钱撩不动小哥哥算我输

巴啦啦小魔仙之彩虹心石 balala the fairies - 抖音

快乐的西伯利亚哈士奇对着镜头微笑,近景