热水循环泵一用一备电路图

相关图片

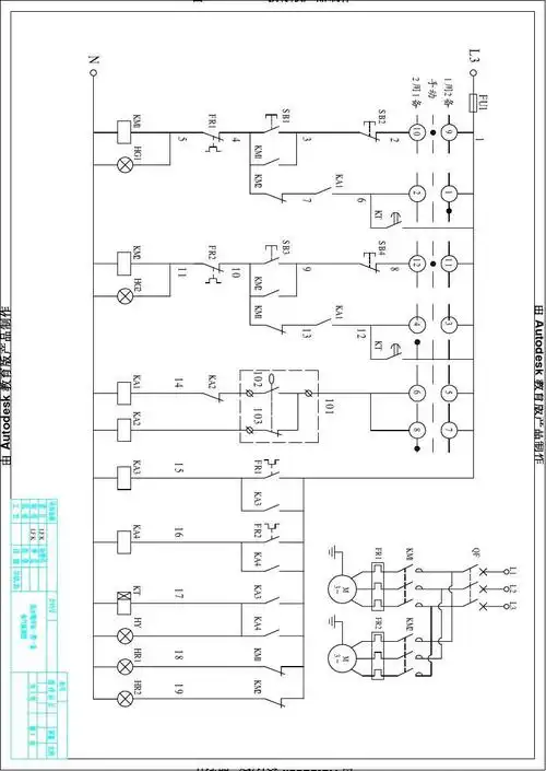
380伏一用一备手动/自动控制电路图

一备一用水泵,一用一备水泵接线图,水泵一用一备电路接线图-长沙中联

排污泵一备一用电路图

有电压表监视,过载报警,水位直接启停的水泵电动机控制电路

水泵控制一用一备.jpg

随机推荐

陈思诚零点准时为佟丽娅庆生:老婆加油 生日快乐

杨紫的脸上去看不到"美",皮肤粗糙,眼眉很浓,但不是天然的,修饰后的

【王一博】one more try ep10-9【4k】_哔哩哔哩_bilibili

陈晓是不是长的蛮有少年感的长的挺显小的

儿女双全的家庭真的幸福吗?过来人说出真相,网友:现实又无奈

用上图的玻璃酸钠滴眼液清洁眼睛,然后用上图的药膏涂在眼睛上,尽量守

苹果蓝牙耳机

的东西向市域铁路,线路西起金山枫泾,东至临港新片区,途经金山区,松江