一备一用水泵,一用一备水泵接线图,水泵一用一备电路接线图-长沙中联

相关图片

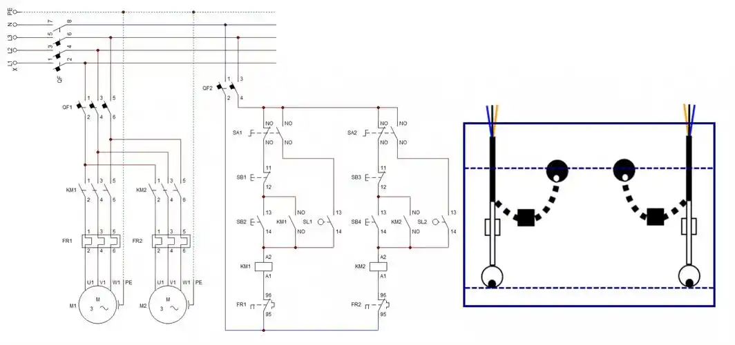
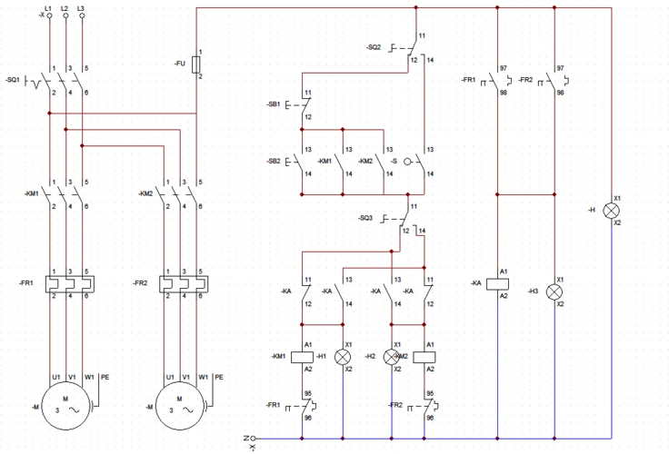
17,污水泵一备一用手动和自动控制电路(电路图,实物仿真图)

排污泵一备一用电路图

热水循环泵一用一备电路图

2.2 水泵经济运行计算

一备一用水泵,一用一备水泵接线图,水泵一用一备电路接线图-长沙中联

随机推荐

不懂为什么那么多原著粉,这么讨厌陈情令? #肖战王一博# #魔道祖师

蔡徐坤2021年音乐成绩单43次上榜3次榜单冠军3项年度大奖

易烊千玺是华语演唱组合"tfboys"的成员之一,三位成员从出道以来就

余少群图片孙耀琦余少群余少群谍战电视剧

声而破界·逐电追风 雅尼2019北京音乐会恢宏上演

麦克风在聚会唱歌的年轻女孩

线稿头像临摹(5/30)

被曝多达400名情人, 致多人怀孕, 央视主持张斌: 谁知道是不是我的种