苏泊尔智能电炖锅tg30yc1-60不加热故障快修一例

相关图片

两档的电热锅如何让最小档功率再减小一半

美的gd150-c型多功能不粘电热锅电路图

三角drg130节能调温多用电热锅电路图

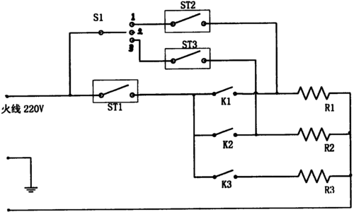
保温电热锅电路图

最新专利 电子电路装置的制造及其应用技术 本实用新型涉及一种电炒锅

随机推荐

汪峰旷工一天!胡歌官宣结婚生女众星送祝福,薛佳凝评论区好温暖

胡歌眼这是咋了?

绿梅,又称绿萼梅,因萼绿花白,小枝青绿而得名.它属于真梅系直 - 抖音

祢的大爱,求祢驱逐我们的愚昧和嫉妒,使我们在任何事上学习赞美和称谢

最新泰腐剧《爱的机密》,实习生们的爱情初体验

回收站波纹棕色纸板 grunge 纹理样本

吊兰又称:垂盆草,挂兰,钓兰,兰草,折鹤兰, a target="_blank" href=

拒绝那英表白后悔了?蔡国庆:我当年看上的是那英姐姐那辛