电气控制系统的电路图及绘制原则

相关图片

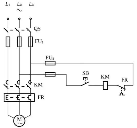
经典电路电动机点动控制线路介绍

理解原理,快速学会接线的法宝 电动机点动与连续运行控制电路原理图 2

星三角启动 详细接线图,#星三角启动 控制电路!#星角降压 - 抖音

两地点动和单向启动控制电路

文档下载 所有分类 工程科技 电子/电路 > 星三角启动控制原理图第1页

随机推荐

留学十年的欧阳娜娜洗白签证已到期

赵丽颖街边哄儿子被拍,港媒爆料赵丽颖与冯绍峰已复婚

古力娜扎/二传注明dt小落头像库

当年姐姐才19岁,一根丝带当头饰也好美,一袭黄衫更显清丽脱俗【文颂娴

日本311地震八年!海啸侵袭造成2万多人遇难,至今还5万人没有家

老戏骨李明启"儿子"10年龙套,儿媳却靠《延禧》纯妃一角大火_王媛可

2018短发流行"铲发脚",干净利落很轻松,让你走路都带风

清代宫廷画家丁观鹏的《极乐世界庄严图》_菩萨_阿弥陀佛_莲池