天下谁人不识君~ 时影超清画质电脑壁纸分享!#肖战时影

相关图片

电脑桌面肖战

肖战春节祝福壁纸

肖战电脑壁纸1920x1080

肖战明星风尚壁纸6

肖战旷野松弛感生日大片##肖战1005生日快乐#电脑壁纸@x玖少年团肖战

随机推荐

二次元板绘线稿练习每天进步一点点

畅谈理想,放飞希望———徽县实验小学二年级四班关于理想的小练笔

王俊凯我们的乐队 - 堆糖,美图壁纸兴趣社区

09平面可爱鬼|小幽灵头像 把可爱鬼压扁了

好运佛系莲花朵朵盛开

世界五千年133,134大文豪雨果,歌德与席勒

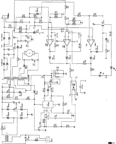
电动车充电器电路原理图

许佳琪 头像 爱豆头像