电动捕鼠电路图

相关图片

其振荡频率由555的②⑥脚接的33kΩ电阻和10nf电容决定

精明鼠电路

谁能帮我把这个灭鼠电路图元件列出来啊,有两个元件我不大懂

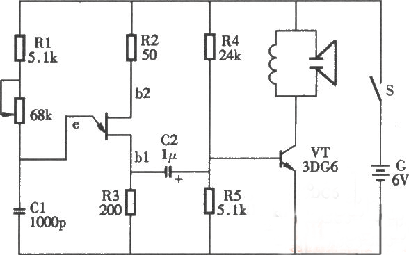
电子捕鼠器电路原理设计集

驱鼠器_电路

随机推荐

q版肖战头像分享,萌萌哒的肖战,太可爱了

关晓彤同款低卡晚餐教程!蔬菜三明治00真的又饱腹又低卡! - 抖音

未来万家五金机电(芮城店)(原力剑电动工具店)迁往地址:洞宾 - 抖音

武东路店冷藏乳制品货架3.5节,光明1节,伊利1节,友芝友1节,蒙牛0.5节

萌化人心!28张超级可爱的动物图片大放送!

柔美高清的温柔女生头像最新版 抖音超火的可爱甜美正脸女头_女生头像

赤脚的年轻女子摆动

动漫唯美背景图,青春,动漫唯美背景图素材(超美的动漫场景插画)