2千瓦全桥软开关直流稳压电源电路

相关图片

电工实操考核中,最经典的7张电路图(高清收藏版)

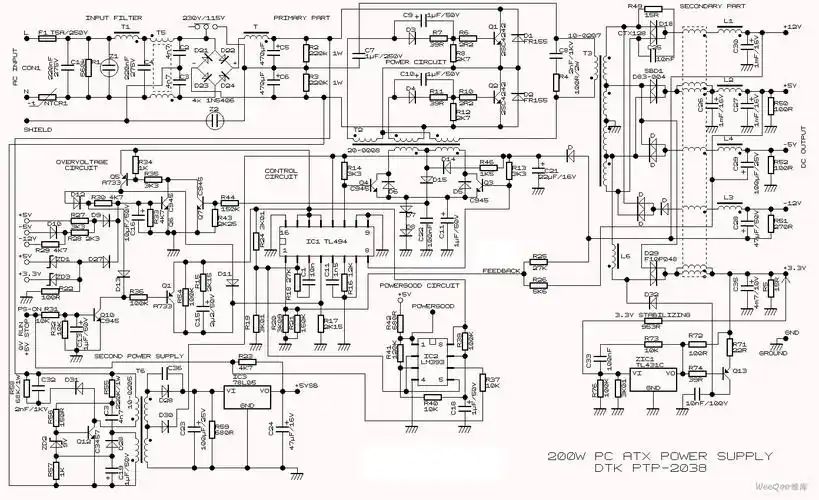
无忧文档 所有分类 工程科技 电子/电路 高清atx电脑开关电源图纸(tl

xlt604在交流输入中的典型应用电路

sr8示波器电路图

11个电路原理图 实物接线图,电工入门怎么能看不懂,纯干货!

随机推荐

肖战卡通q版头像,喜欢的拿去吧

男生别迷恋背头发型了今夏留这4款短发时尚帅气不油腻

班干部聘书模板 班干部聘书模板

彩色油菜花2021年4月日历,月历壁纸-回车桌面

黑塔利亚 锁频 壁纸 罗马诺

超拽的霸气冷酷动漫情侣头像

新鲜美男排名,王星越15,邓为14,张凌赫12檀健次11,张晚意第2|杨洋

池州封箱机供应商