三相异步电动机的自锁控制实验

相关图片

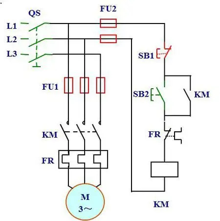
实训三 三相异步电动机自锁控制电路

【2017年整理】考试复习重点1三相交流电机自锁连续转动电气控制原理

电动机自锁控制电路图三相异步自锁正转控制电路图

电气控制中的自锁

电工三把锁之自锁 电路控制

随机推荐

世界奇观顶级美景风景美如画游者好心情五十九

原创穿对颜色就美了2021流行色分析色彩穿搭提前知晓

体育厅哑铃形肌肉运动员训练

史上最清高风流才子文征明,行书《滕王阁序》看醉万人,好字泪目

1927年拍摄的中国第一部西游记,穿着暴露,遭禁播后却被挪威引进

揭秘魏大勋李沁水中嬉戏:竟成恋综节目新突破?网友:质疑

在近期晒出的一组图中,宋佳穿了一件紫色衬衫搭配开叉裙,好有大女人

何达孙晶晶终成眷属