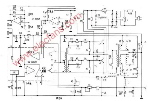
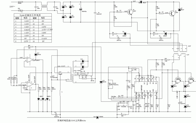
万能充电器电路图

相关图片

汽车电池充电器电路图

剃须刀充电器电路图

实绘飞科fs325剃须刀电路图

电动车充电电路图

7v 锂电池自动充电电路

随机推荐

平原夕阳高清原图下载,平原夕阳,高清图片,壁纸,自然风景-桌面城市

邓伦复古帅气写真图片桌面壁纸

杨幂最新时尚大片曝光穿皮裙黑丝大秀傲人身材

超级旋转薯塔平面广告素材免费下载(图片编号:3517611)-六图网

周深蒙面女装唱《身骑白马》,人"美"声甜,感觉恋爱了!

收录于王胜男于2012年1

"世界第二高峰"堆满垃圾,登山者称雪水水质变差,经常出现腹泻

表面是艺人,实际家世背景"强大"的4位女星,怪不得没人敢惹