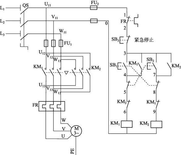
接触器控制三相电机正反转接线,大俵哥最后发一次需要的收藏

相关图片

两台三相异步电动机电机互锁,b运转后,a才能运转,不然不能启动.

表1 三相三线计量用互感器类别,数量及接线方式三相三线计量用互感器

浅谈三相电表及接线

三相三线终端接线图

一起学电工〗三相电机自锁电路接线图(电压36v-380v接触器)

随机推荐

少女时代成员权俞利晒照秀超美侧颜穿紧身针织裙展现凹凸身材

哈咪猫减肥语录创意卡通图片桌面壁纸

国产优质护肤品

迪丽热巴复古皮衣##枭起青壤

朱姓宝宝取名大全姓朱的赶紧收藏

简笔画#教你画穿裙子的漂亮女孩裙子美女简笔画图小女孩简笔画

英雄联盟【凯隐】高质量同人插画一览!

冷的发抖的女孩