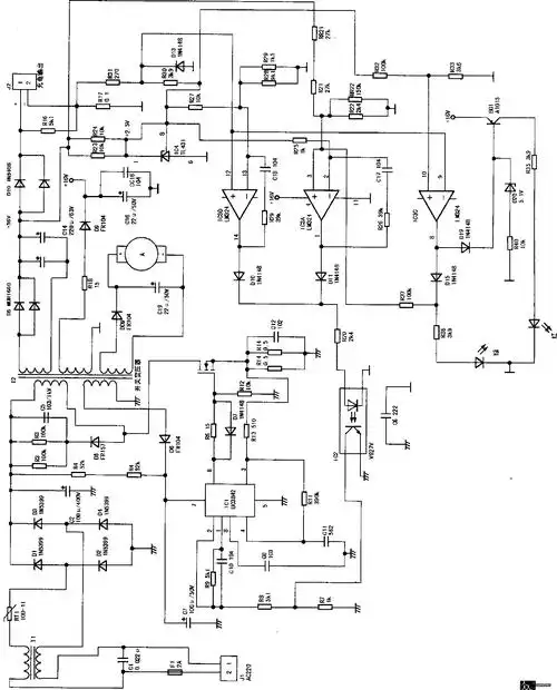
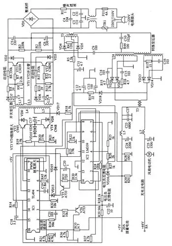
36v电动车充电器工作原理分析

相关图片

电动车充电器电路图全集

电动自行车充电器电路原理图60v60v电动自行车充电器电路图

36v电动车充电器电路图

电动车充电器电路原理图

威昌fdx-36电动车充电器电路分析

随机推荐

佟丽娅魅力造型合集:沉鱼落雁,国色天香

男明星身高大赏,感觉180的都不香了,那没有180的呢?

还不到40岁就显老的男星陈冠希第八高伟光第二胡歌排第几

欧阳娜娜夏日氧气感美照曝光和小狗合影笑容甜网友清凉感满满

图书大场景浅色

2020-05-19阅读全文>>独一无二的情侣纹身 情侣纹身小图案.

高能预警 || 这里有帅气的小哥哥在打乒乓球!

小熊炼乳 自截 女生头像 style:可爱头像/成熟头像