Warning: session_start(): open(/tmp/sess_59581fv44n9cqh9v6q9ognjmb0, O_RDWR) failed: No space left on device (28) in /www/wwwroot/www.nnbbaa.com/config.php on line 2

Warning: session_start(): Failed to read session data: files (path: ) in /www/wwwroot/www.nnbbaa.com/config.php on line 2
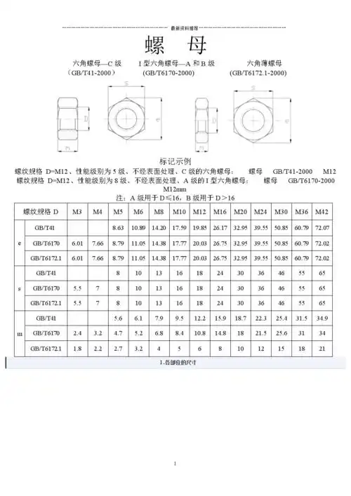
内六角螺栓和螺母尺寸表2 - 能吧图片库

内六角螺栓和螺母尺寸表2

相关图片

螺栓螺母尺寸参照.#螺栓#螺母#螺丝钉#标件#五金 - 抖音

螺母螺栓尺寸对应表

内六角螺栓及螺母尺寸表

六角螺栓螺母尺寸及扭矩值说明

内六角螺栓和螺母尺寸表

随机推荐

赵丽颖最新杂志大片来了!这一次,她自己来承包鱼塘_阳光_时尚_感觉

1979年,20岁的倪萍凭借着出色的成绩考进了山东艺术学院.

切错号了?吴磊转发与迪丽热巴cp内容,直呼好暖随后秒删

有些事不能言不能语,只能自己默默承受,一个人的路一个人走

tnt时代少年团背影图

张翰就是霸道总裁本尊!十个片段回顾他在《温暖的弦》的精彩片段

佛教莲花壁纸原创ai画.一念心清净,莲花处处开,一花一净土, - 抖音

最美的不止一朵!