软启动器一控三工作原理讲解

相关图片

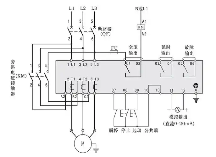
电动机软启动器qb-h系列工作原理

酒店工程之软启动工作原理以及常用的五种电机软启动器接线图

这就是软启动器接线图原理.

高压固态软启动柜原理图

山宇sjr2软启动器

随机推荐

58岁郭富城再染黄发,发量超多不显老,老婆方媛超羡慕他的发量_发型

⑩⑥十二星座水瓶座动漫头像情侣头

肖战的小飞侠there is a crack in eve - 抖音

鲜香开胃香辣虾佐酒最佳

分享一组马伊琍图片给大家,图中的明星图片壁纸会点缀你的电脑桌面

火影卡卡西手绘线稿

张碧晨这状态绝了,穿优雅蕾丝裙显白皙肤色,气质越来越高级_造型_显得

清新简约海报背景-背景素材-百图汇素材网