电路识图72电动车充电器电路原理详解

相关图片

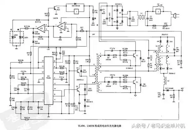
电动车充电器电路图全集

(共3页,当前第1页) 你可能喜欢 万能充电器原理图 无线充电器电路图

电动自行车佳腾充电器电路图二

五款电动车充电器电路图讲解

电动车充电器电路图全集

随机推荐

可否分享一些逗人开心又撩人的话?-育儿网

原创星落凝结成糖即将来袭杨紫邓伦有望再合体粉丝们都沸腾了

良渚文化:中华民族5千年文明史的见证(2016,11)

用笨方法解一道圆锥曲线大题直线参数方程.

皮肤科小姐姐给我们常备的护肤药膏来啦

lol救赎装备属性介绍

置顶电视剧红旗渠超话#红旗渠开播#《红旗渠》网页链接!

200片新效期白云山消炎利胆片026g200片清热祛湿利胆急性胆囊炎口苦80