【电动车充电器电路图】电动自行车充电器电路图及工作原理

相关图片

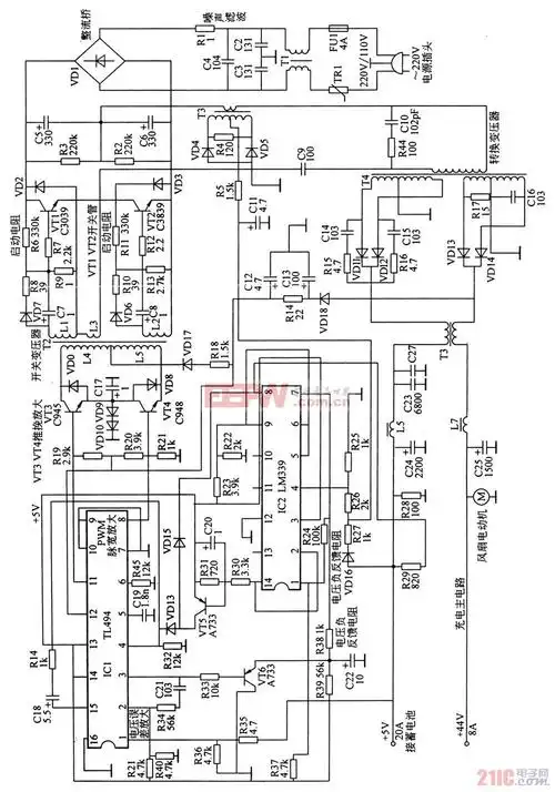
台铃电动车充电器电路图

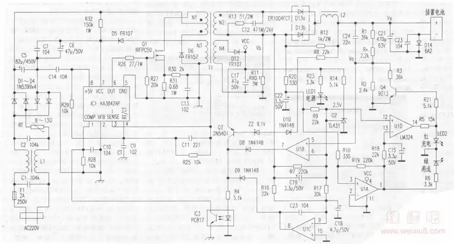
电动自行车佳腾充电器电路图二

收集电动车充电器电路图30张,以备不时之需

收集电动车充电器电路图30张,以备不时之需

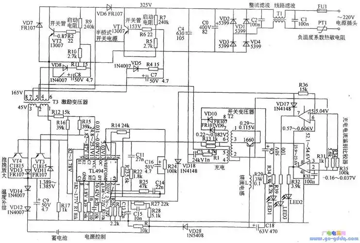
电动自行车顺惠充电器电路图

随机推荐

动漫头像男头邪魅紫

樊少皇电视剧作品樊少皇主演的三部古装武侠港剧

快乐生活每一天,健康享受每一餐——北仁小学餐厅纪实

有没有关于闭上嘴言多必失之类的手机壁纸

sfk怪兽片场机会来了云游电影片场你将大开眼界

蔡健雅 #达尔文

【转载】青年越剧演员裘丹莉

胡静