三相电路图怎么画

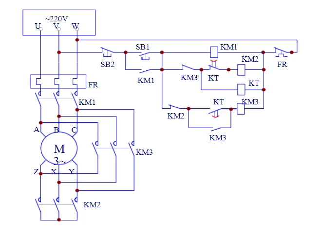
三相鼠笼式电动机变极调速控制电路图

图片尺寸661x482

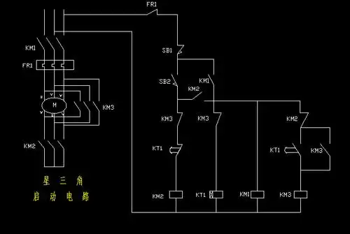
三相异步电动机星三角启动原理及电路图

图片尺寸640x438

三相电动机启动,停止电路(主电路,辅电路)

图片尺寸450x511

画出三相交流接触器吸合时,自锁的控制原理电路图?

图片尺寸1190x1683

都在这了三相异步电动机常用控制电路图集咱得这么学

图片尺寸1030x852

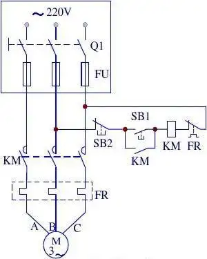
三相鼠笼式异步电动机 点动和自锁控制电路图

图片尺寸300x375

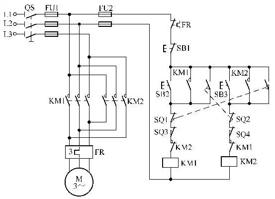
求三相异步电动机正反转电路图,两个按钮,两个接触器,点动无互锁!

图片尺寸450x460

控制电源你可以换,不一定要用电路当中的三相电来做控制电源.

图片尺寸705x472

三相异步电动 strong>机电 /strong>动 strong>控制电路 /strong>.gif

图片尺寸310x349

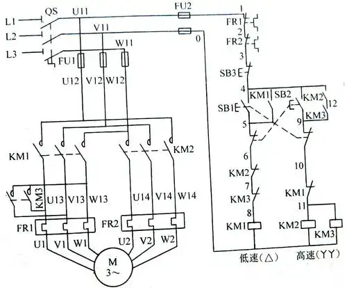
三相电动机接低速运行电路图

图片尺寸600x545

案例十 三相异步电动机正反转控制电路图详解

图片尺寸582x475

三相异步电动机控制电路接线图 - 2020年最新商品信息聚合专区 - 百度

图片尺寸553x400

在正反转电路图上用时间继电器控制三相电动机,两个电机一个按sb后

图片尺寸838x831

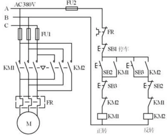
三相异步电动机正反转控制电路见附图.

图片尺寸962x615

都在这了三相异步电动机常用控制电路图集咱得这么学

图片尺寸998x716

三相电动机的缺相保护器

图片尺寸1667x1379

三相异步电动机的降压启动控制线路

图片尺寸613x576

三相异步电动机单向连续运行控制电路图

图片尺寸893x693

15,三相电动机异地启动控制电路.

图片尺寸640x467

三相电路

图片尺寸540x681