三相电机接线图

三相电怎么计算多少度电?380v的电30千瓦的电机一小时

图片尺寸1255x871

三相电机接线图

图片尺寸461x510

三相电机的接线方法

图片尺寸438x563

百度百科-三相电机电机正反转怎么接线实物图操作方法:1,将其电源的

图片尺寸600x450

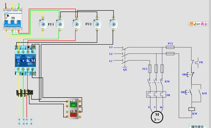
交流接触器三相电机实物接线图(电机组合接线图)

图片尺寸736x552

三相电机接线图

图片尺寸386x212

三相电机两地控制原理-三相电机的工作原理_接线图分享

图片尺寸1056x643

三相交流接触器控制电机的长锁实物图和正反转长锁实物接线图谁有?

图片尺寸946x576

百度百科-三相电机电机正反转怎么接线实物图操作方法:1,将其电源的

图片尺寸500x375

三相异步电动机延时启动实物接线图 .doc

图片尺寸993x1404

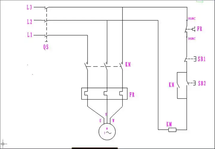
三相异步电动机双重连锁正反转启动能耗制动控制电路图实际接线,我

图片尺寸736x552

三相异步电机接线方法电路图

图片尺寸663x626

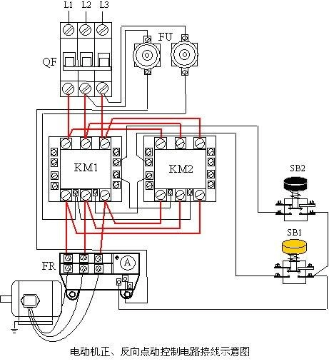
三相电正反转接线图

图片尺寸1018x1529

跪求一个三相电机 限位回程不断循环的 接线图 谢谢!

图片尺寸720x540

三相异步电动机正反转接线图

图片尺寸736x552

三相异步电动机延时启动实物接线图

图片尺寸670x502

三相电机行程开关与交流接触器接线图用行程开关控制电机

图片尺寸570x537

三相电机正反转,要求接触器互锁,带指示灯的接线图

图片尺寸736x552

电动葫芦三相异步电机的抱闸原理介绍_接线图分享

图片尺寸473x542

有6个接线柱的三相异步电机怎么接线

图片尺寸640x331