无刷直流电机接线图解

采用***近型igbt和mos功率器,利用直流无刷电机的霍尔信号进行倍频后

图片尺寸579x464

直流无刷电机该的控制方法

图片尺寸1080x630

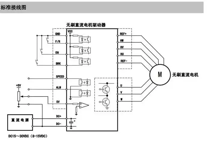
无刷直流电机典型接线电路图

图片尺寸516x428

直流电机接线图

图片尺寸544x356

bldc-2407a无刷直流电机驱动器

图片尺寸879x617

无刷直流马达st110bl140-3120带风扇

图片尺寸875x339

无刷直流电机的工作原理

图片尺寸613x314

关于时代超群直流无刷电机接线和使用常见问题总结lp

图片尺寸1270x924

一种无刷直流电动机控制系统设计_接线图分享

图片尺寸2024x2497

bld08la直流无刷电机控制器接线图

图片尺寸679x581

bld15lb直流无刷电机控制器接线图

图片尺寸625x500

24vdc内置驱动无刷直流电机

图片尺寸544x288

57bl110-230直流无刷电机配那种控制器合适?(jz7)

图片尺寸411x518

和利时hollysy无刷直流电机驱动器 bl-0408

图片尺寸454x377

电动车智能无刷控制器接线图

图片尺寸663x871

提供电机测速脉冲信号直流无刷电机驱动器zm-7205a计算方法(lp)

图片尺寸926x499

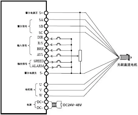
直流无刷电机接线图说明

图片尺寸477x390

5kw直流无刷电机配套100a电流驱动器实现大力矩控制(yss)

图片尺寸543x670

求松正350w无刷电机控制器wzkb4822kdflp1型接线图

图片尺寸493x717

无刷电机接线图:电气性能:说 明 书:点击下载闭环直流无刷电机,型号

图片尺寸917x488