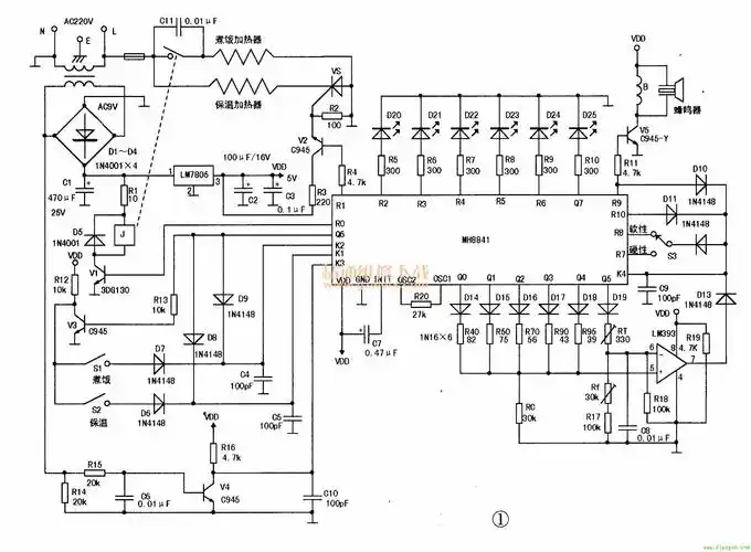
电饭煲电路图原理

相关图片

原理与维修1上一页第9页 下一页 你可能喜欢 电磁炉原理图 电饭煲维修

浩特牌自动电饭锅实绘电路与原理简析

定时式自动电饭锅电路图

电饭煲

开关电源保险丝烧了还有电吗 开关电源送电就烧保险

随机推荐

王菲妩媚优雅清新脱俗年轻时候的照片真的很美

周迅,周冬雨,宋慧乔,蔡依林,这些160女星穿衣气场直冲180!

卡通动漫,唯美,高清,二次元,日系,动漫美女,壁纸,1920x1080

kunikun

邓超孙俪承认已怀三胎孙俪已怀三胎

简约卡通纯色背景图片桌面壁纸

"快乐女声"太原十强湖南300进60突围赛(图片)

男生不烫不染也好看的夏季帅痞背头 男生"两边推短"发型干净帅气90