三相电路

关于三相交流电一些问题

图片尺寸3264x2448

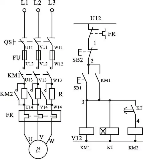
三相异步电动机的顺序控制和多地控制电路

图片尺寸712x508

三相异步电动机调速控制电路 p60页

图片尺寸760x571

三相鼠笼式电动机变极调速控制电路图解 异步电动机的调速方法有变极

图片尺寸1860x1280

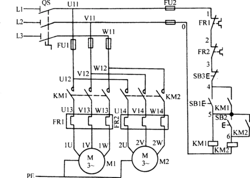
2三相异步电动机单向起动控制线路

图片尺寸1080x810

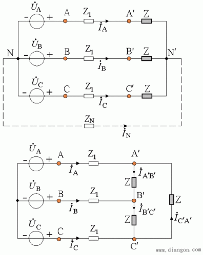
三相对称电路

图片尺寸722x368

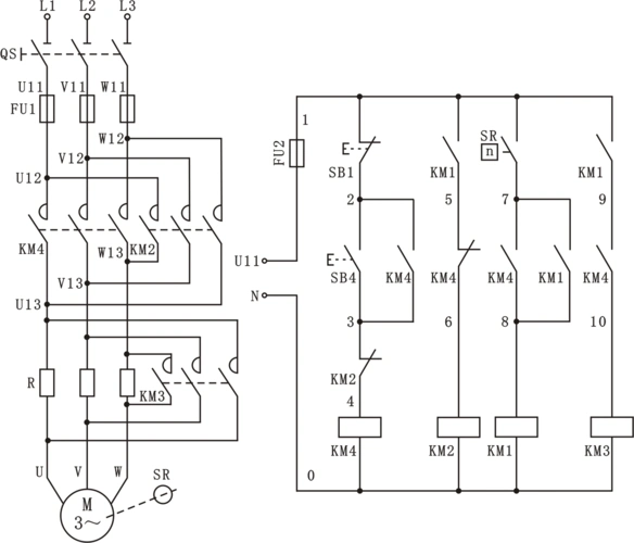
实训十四 三相异步电动机降压启动及反接制动控制电路

图片尺寸1415x1212

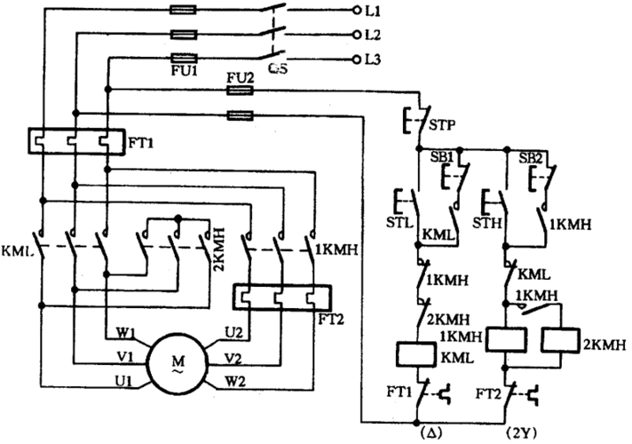
三相电动机双速2y/△接法调速电路设计案例

图片尺寸800x562

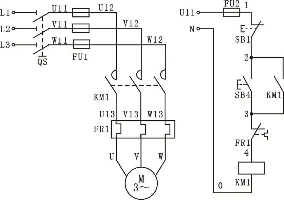
实训三 三相异步电动机自锁控制电路

图片尺寸1040x732

三相异步电动机接触器按钮双重联锁正反转控制电路

图片尺寸1080x810

三相20kw三电平光伏并网逆变器设计方案三相主电路驱动ad格式pcb

图片尺寸800x800

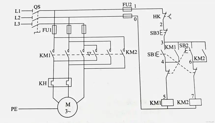
2.3 三相异步电动机的正反转控制电路 对调两相电源接通

图片尺寸1080x810

三相电动机定子绕组串联电阻降压启动控制线路电路图解 2,电动机由

图片尺寸1598x1280

三相交流电路的介绍

图片尺寸648x341

三相异步电动机定子串电阻降压启动自动控制线路实验说明

图片尺寸1213x1349

三相电路电流,电压,功率,无功功率测量.包含相序测量,星型连 - 抖音

图片尺寸811x608

三相异步电机的基本控制电路_三相异步电动机控制电路-csdn博客

图片尺寸3239x1850

三相电路

图片尺寸540x681

三相电机自动往返行程控制线路电路图解 有些生产机械,如万能铣床

图片尺寸1569x1280

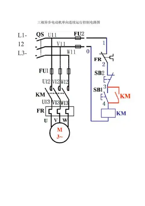
三相异步电动机单向连续运行控制电路图

图片尺寸920x1302